Serie MMS-403
Reedsensoren bedrahtet für präzise Anwendungen
Unsere bedrahteten Reedsensoren der Serie MMS 403 ermöglichen eine besonders einfache Integration in bestehende Systeme und eignen sich optimal für Anwendungen, bei denen eine direkte Kabelverbindung bevorzugt wird.
Sie bieten zuverlässige Schaltvorgänge bei minimalem Installationsaufwand – ideal für die Positionsüberwachung, Endlagenerkennung und Steuerung in Maschinen, Antrieben sowie in der Gebäudeautomation.
Sie benötigen eine Individuelle Lösung?
Individuelle Anpassungen:
• Abmessungen und Form
• Magnetische Empfindlichkeit
• Betriebstemperatur
• Anschlusstypen
• Gehäusematerial
• Montage / Modifikation
Anwendungsbereiche
Positionskontrolle, Berührungsloses Schalten
Features
Magnetisch betriebener Näherungssensor
Individuell definierte Empfindlichkeit
THT-Montage für direkte Integration auf Leiterplatten
Kundenspezifische Anpassungen möglich
Kann durch Nichteisenwerkstoffe, z. B. Holz, Plastik oder Aluminium hindurch betrieben werden
Eigenschaften der Serie
Produktinfos der Baureihe
Ein Reedkontakt-basierter Magnetsensor mit einem Schließerkontakt. Das Gehäusedesign ermöglicht eine THT-Montage. Verfügbar mit unterschiedlichen Empfindlichkeitsoptionen.
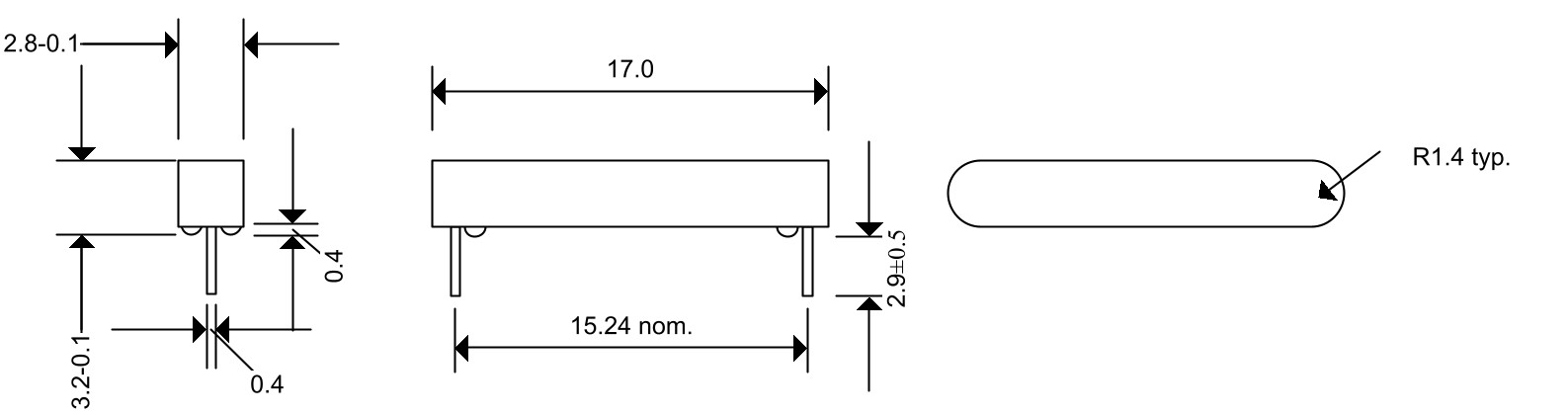
Abmessungen: L 17.0 × B 2.8 mm
Kontaktform: A-Schließer
Arbeitstemperatur: –20 °C … +80 °C
Empfindlichkeit: 7 … 25 AT
Schaltleistung: 10 W
Schaltstrom: 0.5 A
Dauerstrom: 1.0 A
Spannungsfestigkeit: 250 VDC
Zulassung
REACH; RoHS
Eigenschaften der Varianten
Abmessungen: L 17.0 × B 2.8 mm
Lochabstand: 15.24 mm
| MMS-403 -1 | ||||
|---|---|---|---|---|
|
|
||||
| Kontaktform | A-Schließer | |||
| Arbeitstemperatur | –20 °C … +80 °C | |||
| Empfindlichkeit | 7 … 25 AT | |||
| Schaltleistung | 10 W | |||
| Schaltstrom | 0.5 A | |||
| Schaltspannung VDC | 200 VDC | |||
| Schaltspannung VAC | 140 VAC | |||
| Dauerstrom | 1.0 A | |||
| Spannungsfestigkeit | 250 VDC | |||
| Kleinmengen & Muster | Bitte direkt anfragen | |||
| MMS-403 -1 | - | - | - | |
|---|---|---|---|---|
|
|
||||
| Kontaktform | A-Schließer | |||
| Arbeitstemperatur | –20 °C … +80 °C | |||
| Empfindlichkeit | 7 … 25 AT | |||
| Schaltleistung | 10 W | |||
| Schaltstrom | 0.5 A | |||
| Schaltspannung VDC | 200 VDC | |||
| Schaltspannung VAC | 140 VAC | |||
| Dauerstrom | 1.0 A | |||
| Spannungsfestigkeit | 250 VDC | |||
| Kleinmengen & Muster | Bitte direkt anfragen | |||
◀ Tabelle bitte seitlich scrollen ▶
