Serie MMS-116
Präzision im Flachgehäuse
Unsere Reedsensoren im Flachgehäuse der Serie MMS 116 bieten eine zuverlässige Lösung für platzsparende Anwendungen und gewährleisten präzise Ergebnisse in anspruchsvollen Einsatzbereichen.
Sie benötigen eine Individuelle Lösung?
Individuelle Anpassungen:
• Abmessungen und Form
• Magnetische Empfindlichkeit
• Betriebstemperatur
• Anschlusstypen
• Gehäusematerial
• Montage / Modifikation
Anwendungsbereiche
Positionskontrolle, Berührungsloses Schalten
Features
Magnetisch betriebener Näherungssensor
Individuell definierte Empfindlichkeit
Schraubmontage
Kundenspezifische Anpassungen möglich
Kann durch Nichteisenwerkstoffe, z. B. Holz, Plastik oder Aluminium, betrieben werden
Eigenschaften der Serie
Produktinfos der Baureihe
Ein Reedkontakt-basierter Magnetsensor mit Schließer-, Öffner- oder Umschaltkontakt.
Das robuste Flachgehäuse erlaubt Schraub- oder Klebemontage und ist in unterschiedlichen Kabellängen, Empfindlichkeitsstufen und Steckervarianten erhältlich.
Der Sensor lässt sich magnetisch aktivieren – auch durch Nichteisenwerkstoffe wie Holz, Kunststoff oder Aluminium – und kann in Empfindlichkeit und Ausführung kundenspezifisch angepasst werden. Ideal für berührungsloses Schalten und zuverlässige Positionskontrolle in anspruchsvollen Anwendungen.
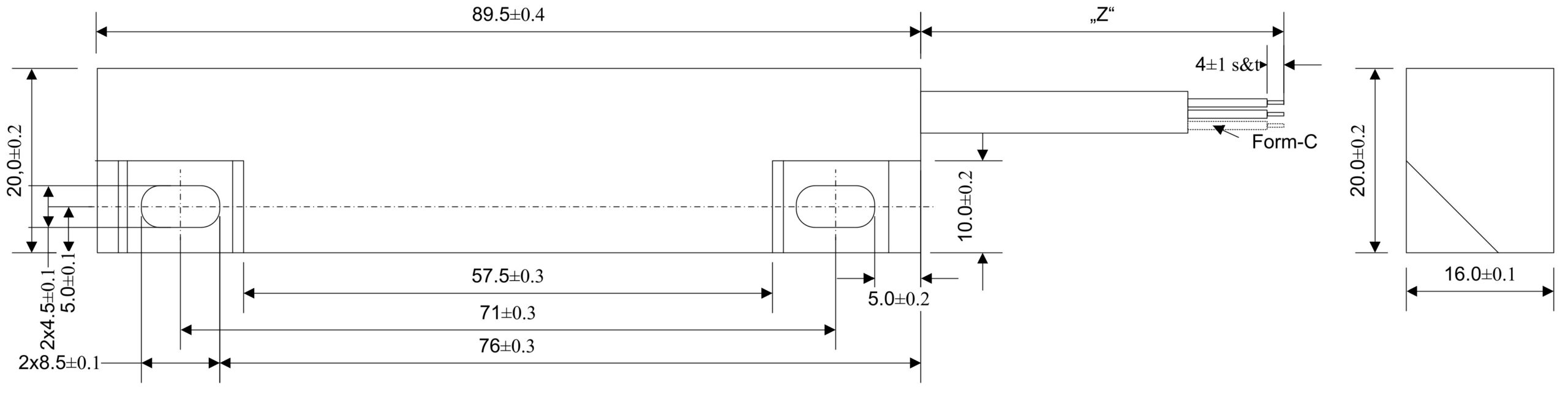
Abmessungen: L 90 × B 20 × H 16 mm
Kabelausgang: rechts
Kontaktform: A/B/C
Empfindlichkeit: 7 … 90 AT
Schaltleistung: 5 W … 250 W
Schaltstrom: 0.25 A … 5.0 A
Dauerstrom: 1.0 A … 5.0 A
Spannungsfestigkeit: 200 … 2000 VDC
Zulassung
REACH; RoHS
Eigenschaften der Varianten
Abmessungen: L 90 × B 20 × H 16 mm
Kabelausgang: rechts
| MMS-116 -3 | MMS-116 -4 | MMS-116 -5 | MMS-116 -6 | MMS-116 -7 | MMS-116 -8 | MMS-116 -9 | MMS-116 -10 | |
|---|---|---|---|---|---|---|---|---|
| Kontaktform | A-Schließer | B-Öffner | C-Umschalter | A-Schließer | B-Öffner | C-Umschalter | A-Schließer | A-Schließer |
| Arbeitstemperatur | –10 °C … +105 °C | –10 °C … +105 °C | –10 °C … +105 °C | –10 °C … +105 °C | –10 °C … +105 °C | –10 °C … +105 °C | –10 °C … +105 °C | –10 °C … +105 °C |
| Empfindlichkeit | 15 … 40 AT | 10 … 35 AT | 10 … 35 AT | 45 … 90 AT | 60 … 90 AT | 60 … 90 AT | 7 … 30 AT | 15 … 35 AT |
| Schaltleistung | 50 W | 5 W | 5 W | 250 W | 60 W | 60 W | 10 W | 10 W |
| Schaltstrom | 1.0 A | 0.25 A | 0.25 A | 5.0 A | 1.0 A | 1.0 A | 0.5 A | 0.5 A |
| Schaltspannung VDC | 250 VDC | 175 VDC | 175 VDC | 250 VDC | 400 VDC | 400 VDC | 200 VDC | 1000 VDC |
| Schaltspannung VAC | 265 VAC | 125 VAC | 125 VAC | 250 VAC | 400 VAC | 400 VAC | 140 VAC | 265 VAC |
| Dauerstrom | 3.0 A | 1.5 A | 1.5 A | 5.0 A | 2.0 A | 2.0 A | 1.0 A | 1.3 A |
| Spannungsfestigkeit | 750 VDC | 200 VDC | 200 VDC | 700 VDC | 1000 VDC | 1000 VDC | 200 VDC | 2000 VDC |
| Kleinmengen & Muster | Bitte direkt anfragen | |||||||
| Eigenschaft | MMS-116 -3 | MMS-116 -4 | MMS-116 -5 | MMS-116 -6 | MMS-116 -7 | MMS-116 -8 | MMS-116 -9 | MMS-116 -10 |
|---|---|---|---|---|---|---|---|---|
| Kontaktform | A-Schließer | B-Öffner | C-Umschalter | A-Schließer | B-Öffner | C-Umschalter | A-Schließer | A-Schließer |
| Arbeitstemperatur | –10 °C … +105 °C | –10 °C … +105 °C | –10 °C … +105 °C | –10 °C … +105 °C | –10 °C … +105 °C | –10 °C … +105 °C | –10 °C … +105 °C | –10 °C … +105 °C |
| Empfindlichkeit | 15 … 40 AT | 10 … 35 AT | 10 … 35 AT | 45 … 90 AT | 60 … 90 AT | 60 … 90 AT | 7 … 30 AT | 15 … 35 AT |
| Schaltleistung | 50 W | 5 W | 5 W | 250 W | 60 W | 60 W | 10 W | 10 W |
| Schaltstrom | 1.0 A | 0.25 A | 0.25 A | 5.0 A | 1.0 A | 1.0 A | 0.5 A | 0.5 A |
| Schaltspannung VDC | 250 VDC | 175 VDC | 175 VDC | 250 VDC | 400 VDC | 400 VDC | 200 VDC | 1000 VDC |
| Schaltspannung VAC | 265 VAC | 125 VAC | 125 VAC | 250 VAC | 400 VAC | 400 VAC | 140 VAC | 265 VAC |
| Dauerstrom | 3.0 A | 1.5 A | 1.5 A | 5.0 A | 2.0 A | 2.0 A | 1.0 A | 1.3 A |
| Spannungsfestigkeit | 750 VDC | 200 VDC | 200 VDC | 700 VDC | 1000 VDC | 1000 VDC | 200 VDC | 2000 VDC |
| Kleinmengen & Muster | Bitte direkt anfragen | |||||||
◀ Tabelle bitte seitlich scrollen ▶
Passend dazu
Aktivierungsmagnet

MMA-102
L 23 × B 13.9 × H 5.9 mm

MMA-104
L 28 × B 19 × H 6.9 mm

MMA-105
L 37 × B 13 × H 8 mm

MMA-110
L 19 × B 11.3 × H 4.5 mm

MMA-113
L 32 x B 10 x H 6,2 mm

MMA-115
L 22 × B 13 × H 4.5 mm

MMA-116
L 89.5 × B 20 × H 16 mm

MMA-117
L 25 × B 14 × H 6.4 mm
